Червячный редуктор Ч-125

Червячный редуктор Ч-125 в Екатеринбурге
Червячный одноступенчатый редуктор Ч-125 — это универсальное устройство, предназначенное для регулировки крутящего момента и скорости вращения. Он подходит для эксплуатации в различных климатических условиях: сухом и влажном тропическом (категории 1–4 по ГОСТ 15150−69), а также в умеренном климате. Стоимость редуктора в Екатеринбурге варьируется в зависимости от комплектации и номинального передаточного числа купить редуктор Ч-125. Для уточнения цены рекомендуем обратиться к нашим специалистам.
Условия эксплуатации редуктора Ч-125
Редуктор предназначен для работы при постоянной или переменной нагрузке в одном направлении, а также в реверсивном режиме. Устройство может функционировать как непрерывно, так и с периодическими паузами. Возможен вращательный движений в обе стороны. Климатические условия эксплуатации допускают температуру окружающей среды от −40 до +50 °C. Внешняя среда должна быть неагрессивной и не взрывоопасной.
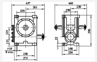
Редуктор Ч-125: особенности и применение
Редукторы серии Ч-125 представляют собой промышленные приводные механизмы, широко используемые в машиностроении и производстве по всей территории России. Они рассчитаны на продолжительную работу, отличаются высокой эффективностью и надежностью. Выпускаются корпуса в нескольких вариантах, включая модели с полым и шлицевым валом. Также доступны модификации, предназначенные для крановых и коническо-цилиндрических приводов. При выборе оборудования важно обращать внимание на межосевое расстояние, тип сборки и параметры зубчатой передачи.
Информация о продукции и возможности заказа
На сайте компании представлены данные о габаритах, сериях и коэффициентах усиления (КУ) для удобства выбора. Клиенты могут добавить выбранный товар в корзину и оформить покупку онлайн. При необходимости консультации менеджеры готовы помочь по телефону или через форму обратной связи.
О цилиндрических редукторах Ч-125 и Ч-100
Редукторы моделей Ч-125 и Ч-100 совместимы с электродвигателями различной мощности. Их можно использовать как отдельные узлы или в составе планетарных, коническо-цилиндрических передач. Эти механизмы подходят для промышленного применения, включая насосы, конвейеры и подъемные устройства.
Компания «Редуктор-ЕКБ» предоставляет возможность легко оформить заказ: достаточно выбрать необходимый редуктор, указать серию, обозначение и параметры входного привода. По вашему запросу доступны нестандартные конфигурации, а доставка осуществляется как в Москве, так и по всей России.
Что предлагает «Редуктор-ЕКБ»:
— наличие редукторов на складе и возможность изготовления под заказ; — помощь в выборе подходящей модели с учетом типа корпуса и расположения валов; — профессиональные консультации по эксплуатации и установке оборудования.
Изготовление продукции по ГОСТ с официальной гарантией
Чтобы оформить заказ, выберите нужную модель, добавьте её в корзину и отправьте заявку через наш сайт. При необходимости вы можете связаться с менеджером для уточнения деталей доставки и получения консультации. Мы обеспечиваем качество и полное соответствие стандартам.
Источник новости - reduktor-ekb.ru
И будьте в курсе первыми!